G2510_U35_サーミスタ実験と温度制御基板
2025年11月12日
6:53
G2510_lpc11u35_thermistor_temperature_control
概要
予想配線数
13本 放電実験のLPC812が 10本でしたから、それほど多くはありません

サーミスタの基本回路



90℃
70℃ 600 mV
43℃ 900 mV
25℃ 1850 mV
4℃ 2380 mV
90℃ 1.2KΩ
23℃ 10KΩ
14℃
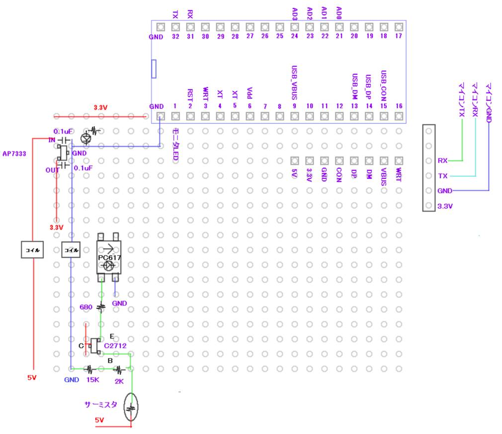
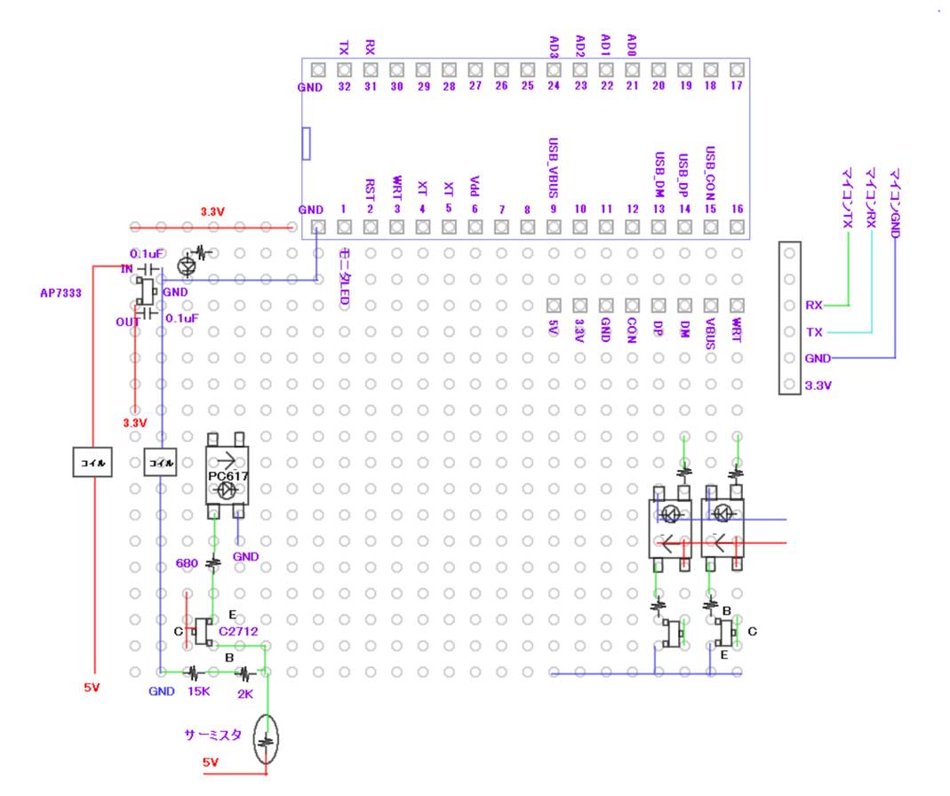
実験基板





ライター基板の接続に成功しました

3.3Vレギュレータ、シリアル通信、LED回路を追加します





温度制御プロジェクトの作成




生成したプロジェクトをインポートします







テストコードで通信成功しました


太陽熱にするか焼却炉の排熱にするか悩み中
アイソレートの考察
サーミスタとリレー回路をアイソレートします
アイソレートに利用するフォトカプラの特性



温度 フォトカプラ受光器抵抗
20 440 Ω AD値 610
36 324 Ω 215
70 257 Ω 94
100 252 Ω
|
|
510Ω(606) |
430Ω(622) |
300Ω(616) |
|
|
|
|
温度 |
AD |
AD |
AD |
|
|
|
|
|
692 |
736 |
821 |
|
|
|
|
20 |
610 |
|
|
|
|
|
|
36 |
324 |
316 |
522 |
|
|
|
|
70 |
257 |
|
|
|
|
|
|
100 |
86 |
114 |
205 |
|
|
|
|
温度 |
分解値 |
|
|
|
4 |
|
|
氷水 |
|
7 |
885 |
|
外気 |
|
|
|
|
|
電磁弁のリレー回路


