G2505_U35_MCP3425_AD変換IC
2025年1月4日
12:48
G2505_lpc11u35_mcp3425_ad_report
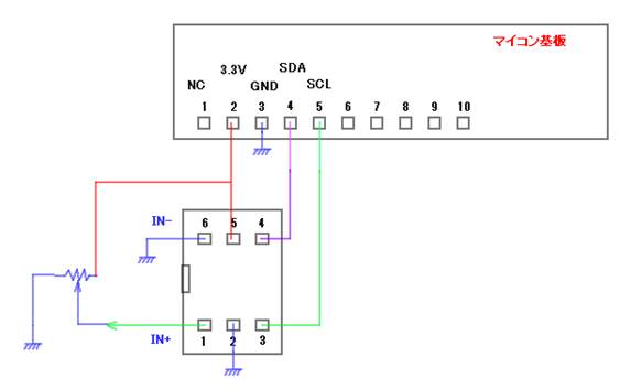
MCP3425(16Bit ADC I2C 基準電圧内蔵)搭載モジュール: 半導体 秋月電子通商-電子部品・ネット通販
・刻印 CQGP
・内蔵 VREF 2.048V






uint32_t ad_dat; // AD変換結果
uint8_t ad_bit; // 変換ビット数

// MCP3425実験
ad_bit = cha_dec_to_int(rcv_buf,1,2);
ad_dat = mcp3425_read(ad_bit);
UART_msg_dec("ad=",ad_dat,"\r\n");



★ 下記は完全なオーバーフローでした

変換速度 12 bit


変換速度14Bit


変換速度16Bit

