G2017_DS1307_時計IC
2024年12月12日
9:43
G2017_lpc812_DS1307_clock_report
DS1307使用リアルタイムクロック(RTC)モジュールキット: 半導体 秋月電子通商-電子部品・ネット通販

2026.01.30 FRI (04:46) goma0099 -2544900-
曜日書き込みが出来ない


キーボードマクロに実装したときのトラブル解決
結論
----------------------------------------------------
以下は古い記事なので、役には立ちません
----------------------------------------------------
2024.4.1 MON goma0099 -75342281-
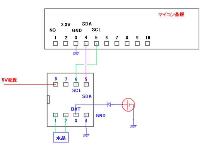
・バッテリーの逆流ダイオードを位置変更する
・いまの位置では、逆流して、ボタン電池の電源でマイコンが動いてしまう
・時計ICの電源に逆流防止をする
ボタン電池放電テスト
2024.3.10 SAN s-segawa -7562758- 時計正常
2024.2.21 WED s-segawa -3618451-
・外部出力 OUTピンの制御には失敗している
・本日日付時刻の確認をした マイコンを取り外して放置し、リチウムバッテリーの保持機能を確認した
2021/01/13 (水曜) s.segawa -3609-9099-
1. 時計ICの機能調査
2024.2.15 THU s-segawa -5050910- 調査の再開
・電源電圧は5Vであり、3.3VではI2Cアドレス検索が反応しない
・アドレス検索結果 0xD0




err = ds1307_cal_red(cal_tbl);
if(err != 0) UART_msg_dec("I2C_ERR=",err,"\r\n");
cal_tbl_to_cha(cal_tbl,moj_buf,'Y',' ',' ');
UART_puts(moj_buf);
UART_puts("\r\n");
cal_tbl_to_cha(cal_tbl,moj_buf,'Y',' ','M');
UART_puts(moj_buf);
UART_puts("\r\n");
cal_tbl_to_cha(cal_tbl,moj_buf,'Y',' ','S');
UART_puts(moj_buf);
UART_puts("\r\n");
cal_tbl_to_cha(cal_tbl,moj_buf,'Y','W',' ');
UART_puts(moj_buf);
UART_puts("\r\n");
cal_tbl_to_cha(cal_tbl,moj_buf,'Y','W','M');
UART_puts(moj_buf);
UART_puts("\r\n");
cal_tbl_to_cha(cal_tbl,moj_buf,'Y','W','S');
UART_puts(moj_buf);
UART_puts("\r\n");