G2012_MCP3425_AD変換IC
2024年12月10日
11:48
G2012_lpc812_MCP3425_AD_report
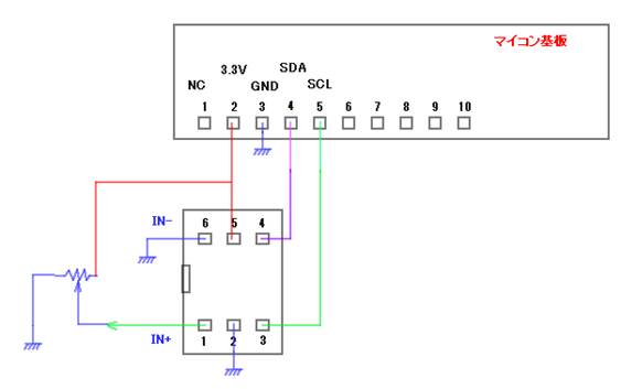
MCP3425(16Bit ADC I2C 基準電圧内蔵)搭載モジュール: 半導体 秋月電子通商-電子部品・ネット通販
・刻印 CQGP
・内蔵 VREF 2.048V











I2Cアドレスを検索します


int32_t ad_dat; // AD変換結果

// ------ ここに計測したい処理を作成します
wait_sec('m',2000); // msec
ad_dat = mcp3425_read(16);
UART_msg_dec("ad=",ad_dat,"\r\n");

12Bit の変換結果です





12ビット変換の速度計測です



14ビット変換の速度計測です


16ビット変換の速度計測です

